STMicroelectronics LSM330 iNEMO 3D Accelerometer & 3D Gyroscope

STMicroelectronics LSM330 iNEMO 3D Accelerometer & 3D Gyroscope is a system-in-package featuring a 3D digital accelerometer and a 3D digital gyroscope. ST's family of MEMS sensor modules leverages the robust and mature manufacturing processes already used for the production of micromachined accelerometers and gyroscopes.

The various sensing elements are manufactured using specialized micromachining processes, while the IC interfaces are developed using a CMOS technology that allows the design of a dedicated circuit which is trimmed to better match the sensing element characteristics.

The LSM330 has user-selectable full-scale acceleration range of ±2/±4/±6/±8/±16g and angular rate of ±125/±250/±500/±1000/±2000dps. The accelerometer and gyroscope sensors can be either activated or separately put in Low power/Power-down mode for applications optimized for power saving.

Features

  • 2.4V to 3.6V analog supply voltage
  • 1.8V digital supply voltage IOs
  • Low power mode
  • Power-down mode
  • Sleep mode
  • 2 embedded programmable state machines
  • 3 independent acceleration channels and 3 angular rate channels
  • ±2/±4/±6/±8/±16g selectable full scale
  • ±250/±500/±2000 dps selectable full scale
  • SPI/I2C serial interface (16-bit data output)
  • Programmable interrupt generator for free-fall and motion detection
  • Embedded temperature sensor
  • Embedded FIFO
  • ECOPACK® RoHS and "Green" compliant

Applications

  • GPS navigation systems
  • Impact recognition and logging
  • Gaming and virtual reality input devices
  • Motion activated functions
  • Intelligent power saving for handheld devices
  • Vibration monitoring and compensation
  • Free-fall detection
  • 6D orientation detection

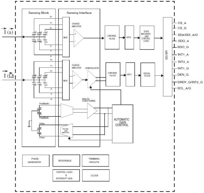
Block Diagram

Block Diagram - STMicroelectronics LSM330 iNEMO 3D Accelerometer & 3D Gyroscope
Published: 2014-03-13 | Updated: 2024-02-16