STMicroelectronics STPM801 Hot Swap Voltage Controller
STMicroelectronics STPM801 Hot Swap Voltage Controller provides integrated hot swap, soft start, and o-ring protections. These protections prevent loads from high-voltage transients, limiting and regulating the output during an overvoltage event. These include load dumps by controlling the voltage drop across an external N-channel MOSFET. The device additionally monitors the input supply to protect it in case of overvoltage (OV) and undervoltage (UV) conditions.The STMicro STPM801 hot swap voltage controller features an integrated ideal diode controller that drives a second MOSFET (the oring) to replace a Schottky diode for reverse input protection and output voltage holdup.
The STPM801 controller implements the forward voltage drop across the MOSFET and minimizes reverse current transients in case of faults such as power source failure, brownout, or input short. The STPM801 supports applications that must fulfill functional safety requirements as defined by automotive Safety Integrity Level (ASIL) A-B-C-D, depending on application TSR.
The STPM801 is housed in a compact 5mm x 5mm VFQFN-32 package, saving PCB space and reducing the need for external components. The device operates within a wide supply voltage range of 4V to 65V, with a low quiescent current of 25µA, ensuring resilience against automotive electrical hazards and minimizing battery drain when the vehicle is powered off.
Features
- AEC-Q100 qualified
- Single channel
- 4V to 65V wide input voltage range
- Reverse input protection of -65V
- Two external N-channel MOSFET pre-drivers
- One soft start feature
- One o-ring feature
- Quiescent current of <50μA if WAKE low
- Integrated charge pump
- Input overvoltage protection
- Input undervoltage protection
- Output overcurrent protection
- Complies with the 16750 AC ripple test requirements (50Hz to 25kHz)
- Adjustable soft start with an external capacitor
- Developed according to ISO 26262 to support ASIL D application
Applications
- Zonal/body electronic control units (ECUs)
- Autonomous driving ECUs
- Advanced driver assistance systems (ADAS)
- Infotainment ECUs
- Redundant power delivery systems
- Dual-battery setups.
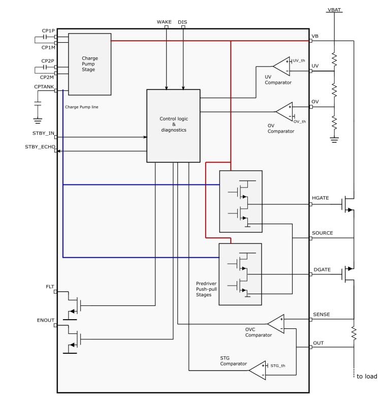
Block Diagram
