STMicroelectronics ACEPACK 2 Power Module

STMicroelectronics ACEPACK 2 Power Module offers a 3-level topology with NTC and capacitance. The device is based on silicon carbide third-generation technology. The STmicro modular solution achieves complex topologies with high power density and efficiency requirements in DC-DC converter applications.

Features

  • NH and NL at 750V, 6mΩ of typical RDS(on) each switch
  • BH and BL at 1200V, 9.5mΩ of typical RDS(on) each switch
  • 3kVRMS insulation
  • Integrated NTC temperature sensor
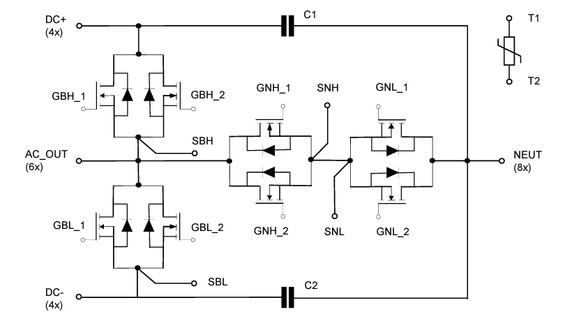
  • DC link capacitors between DC BUS and neutral
  • AIN DBC improved thermal performance
  • Press-fit contact pins

Specifications

  • 750V drain-source breakdown voltage
  • -10V to 22V gate-source voltage
  • -5V to 18V gate-source voltage, recommended operating values
  • 180A drain current (continuous) at TH = 25°C
  • 360A repetitive peak drain current
  • -55°C to 150°C operating junction temperature range

Electrical topology & pin description

Mechanical Drawing - STMicroelectronics ACEPACK 2 Power Module
Published: 2024-08-22 | Updated: 2024-09-20