Taiwan Semiconductor TESDA24VB17P1M3 ESD Protection Diode

Taiwan Semiconductor TESDA24VB17P1M3 ESD Protection Diode is a bidirectional ESD-rated clamping cell to protect power interfaces, control-line, or low-speed data-line in an electronic system. This diode is designed to protect sensitive electronic components that are connected to power and control lines from over-voltage damage by Electrostatic Discharging (ESD) and lightning. The TESDA24VB17P1M3 diode is used to provide ESD protection up to ±30kV (contact and air discharge) and can withstand peak pulse current up to 5A (8/20μs). This diode is used in applications like ESD protection for in-vehicle network lines in automotive environments, CAN buses, general-purpose I/O, and portable instrumentation.

Features

  • AEC-Q101 qualified
  • ESD protection for 1 line with bidirectional
  • Provide ESD protection for each channel to IEC61000-4-2 (ESD) ±30kV (air), ±30kV (contact) IEC61000-4-5 (lightning) 5A (8/20μs)
  • Suitable for 24V and below operating voltage applications
  • Small package saves board space
  • Protect one I/O line or one power line
  • 210W peak pulse power (PPK) (tp = 8/20μs)
  • 5A peak pulse current (IPP) (tp = 8/20μs)
  • -55°C to 150°C operating junction temperature range (TJ)
  • Moisture Sensitivity Level-1 (MSL-1), per J-STD-020
  • RoHS compliant
  • Halogen-free

Applications

  • ESD protection for In-vehicle network lines in automotive environments
  • CAN bus
  • General purpose I/O
  • Portable instrumentation

ESD Protection by TESDA24VB17P1M3

Taiwan Semiconductor TESDA24VB17P1M3 ESD Protection Diode

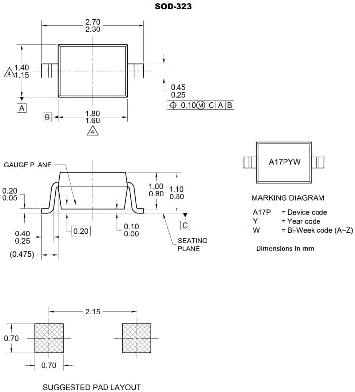
Package Outline Dimensions

Mechanical Drawing - Taiwan Semiconductor TESDA24VB17P1M3 ESD Protection Diode
Published: 2025-03-27 | Updated: 2025-04-10