Teledyne Relays E3PC Three-Phase Zero Cross Solid-State Relays
Teledyne Relays E3PC Three-Phase Zero Cross Solid-State Relays (SSRs) feature a high voltage handling capability with zero switching, allowing for effortless load management. The E3PC series offers an integrated snubber network and a built-in varistor to ensure robust transient protection. The SSRs provide over-temperature protection (OTP) with alarm output, IP20 back-of-hand protection, and an LED indicator for status visualization. The Teledyne Relays E3PC Three-Phase Zero Cross SSRs enhance reliability and load cycle capacity via three semiconductor power units and operate with up to a 690VAC voltage rating. The SSRs are ideal for various industrial applications, including plastic extrusion machines, thermoforming machines, electrical/soldering ovens, climatic chambers, and more.Features
- Three-phase SSR
- Zero switching
- High operation voltage
- Integral snubber network
- Built-in varistor
- OTP with alarm output
- IP20 back-of-hand protection
- LED indicator visualizes control input and OTP alarm status
- RoHS compliant
Applications
- Plastic extrusion machines
- Thermoforming machines
- Coffee machines
- Electrical ovens
- Vending machines
- Soldering ovens
- Dryers
- Climatic chambers
- IR handling units
- Plastic sealing machines
- Shrink tunnels
Specifications
- 24VAC to 660VAC operational voltage range
- 45Hz to 65Hz operation frequency range
- 800Vp to 1600Vp blocking voltage range
- Overvoltage category III
- 4VDC to 50VDC input control voltage range
- 3.8VDC to 20VDC pick-up voltage range
- 1.2VDC to 9VDC drop-out voltage range
- ≤15mA to ≤23mA input current range
- 25Arms to 75Arms rated operational current range at +25°C
- 150mArms to 400mArms min operational load current range
- <3mArms off-state leakage current rating
- <1.6Vrms on-state voltage drop rating
- -30°C to +80°C operating temperature range
- -40°C to +100°C storage temperature range
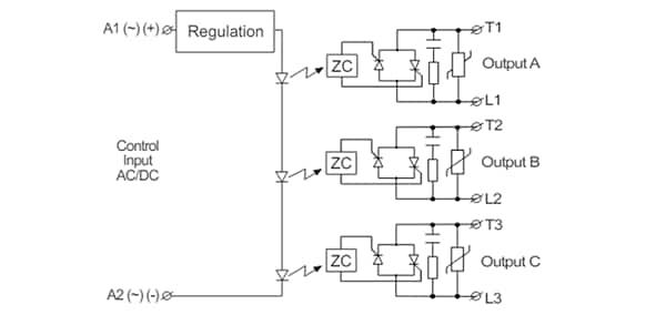
Connection Diagram
Dimensions (mm)
Published: 2024-06-04
| Updated: 2024-06-13
