Texas Instruments ADC5140EVM-PDK Evaluation Module

Texas Instruments ADC5140EVM-PDK Evaluation Module allows the user to test the capabilities of the TLV320ADC5140 ADC. The TLV320ADC5140 is a Burr-Brown™ high-performance, audio analog-to-digital converter (ADC) that supports simultaneous sampling of up to four analog channels or eight digital channels for the pulse density modulation (PDM) microphone input. The Texas Instruments ADC5140EVM-PDK is paired with the AC-MB (included in the kit), a flexible audio converter motherboard that provides power, control, and digital audio data to the evaluation module.

Features

  • Complete performance demonstration kit (PDK) for TLV320ADC5140
  • High-performance audio ADC with 120dB dynamic range with dynamic range enhancer (DRE)
  • Direct access to digital audio signals and control interface for simple end-system integration
  • The onboard microphone provided for voice-recording testing
  • USB connection to PC provides power, control, and streaming audio data for easy evaluation
  • Easy evaluation and demonstration via PurePathâ„¢ Console software platform (PUREPATHCONSOLE)

Kit Contents

  • ADC5140EVM-PDK evaluation module
  • Audio converter motherboard (AC-MB)

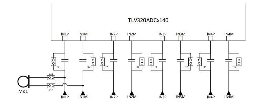
Input Architecture Diagram

Location Circuit - Texas Instruments ADC5140EVM-PDK Evaluation Module

Overview

Texas Instruments ADC5140EVM-PDK Evaluation Module
Published: 2019-11-22 | Updated: 2024-02-02