Texas Instruments DLP3021LEQ1EVM Evaluation Module (EVM)
Texas Instruments DLP3021LEQ1EVM Evaluation Module (EVM) is a complete electronic and optical subsystem designed to control and interface with the DLP3021-Q1 chipset. The DLP3021-Q1 interfaces with an FPGA-based digital micromirror device (DMD) controller. This chipset is combined with illumination and projection optics as well as RGB LEDs to create a projector that offers brightness up to 30lumens with full-motion video playback in a small volume form factor. The Texas Instruments DLP3021LEQ1EVM is not a production design and is intended for evaluation only.Features
- Compact light engine targeted for dynamic ground projection applications
- Capable of displaying stored images and full-motion video
- Brightness up to 30lumens
- Total power consumption under 3.5W
Kit Contents
- DLP3021LEQ1EVM evaluation module
- USB to SPI cable
- SPI adapter PCB
- Power and SPI cables
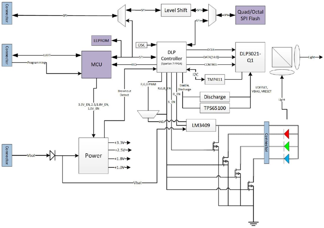
Block Diagram
Published: 2021-04-13
| Updated: 2025-04-21
