Texas Instruments DRV8376-Q1 3-Phase Integrated FET Motor Drivers

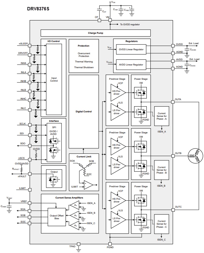
Texas Instruments DRV8376-Q1 3-Phase Integrated FET Motor Drivers offer a gate drive and power stage for driving 4.5V to 65V brushless-DC motors. These motor drivers feature three 1/2-H bridges with 70V absolute maximum capability and a very low RDS(ON) of 400mΩ (high-side plus low-side). The DRV8376-Q1 motor drivers support up to 100kHz PWM frequency, a cycle-by-cycle current limit to limit phase current, active demagnetization, and 48V systems. These devices contain 6x or 3x PWM control options to implement sensored or sensorless Field-Oriented Control (FOC), sinusoidal control, or trapezoid control using an external microcontroller. The DRV8376-Q1 devices are AEC-Q100 qualified for automotive applications. Typical applications include Brushless-DC (BLDC) motor modules, HVAC motors, office automation machines, factory automation and robotics, wireless antenna motors, and drones.

The DRV8376-Q1 motor drivers include a built-in 3.3V (5%), 30mA LDO regulator and a built-in 5V (5%), 30mA LDO regulator. The protection features are Under-Voltage Lockout (UVLO), Charge Pump Under Voltage (CPUV), Overcurrent Protection (OCP), Thermal Warning and Shutdown (OTW/OTSD), and Fault condition indication pin (nFAULT).

Features

  • Three-phase BLDC motor driver:
    • Supports 48V systems
    • Supports up to 100kHz PWM frequency
    • Active Demagnetization to reduce power losses
    • Cycle-by-cycle current limit to limit phase current
  • 4.5V to 65V operating voltage (70V absolute maximum)
  • 4.5A peak high output current capability
  • 400mΩ RDS(ON) (HS + LS) at TA = 25°C low MOSFET on-state resistance
  • Adjustable slew rate options reduced switching loss with a 1.1V/ns slew rate and reverse recovery loss minimization technique
  • Low audible noise and ease of motor control with ultra-low dead time <200ns, and propagation delay <100ns
  • 1.5µA typical at VVM = 24V, TA = 25°C low-power sleep mode
  • Multiple control interface options:
    • 6x PWM control interface
    • 3x PWM control interface
  • Does not require external current sense resistors, built-in current sensing
  • Flexible device configuration options:
    • DRV8376S: 5MHz 16-bit SPI for device configuration and fault status
    • DRV8376H: Hardware pin-based configuration
  • Supports 1.8V, 3.3V, and 5V logic inputs
  • Built-in 3.3V (5%), 30mA LDO regulator
  • Built-in 5V (5%), 30mA LDO regulator
  • Integrated protection features:
    • Supply Under Voltage Lockout (UVLO)
    • Charge Pump Under Voltage (CPUV)
    • Overcurrent Protection (OCP)
    • Thermal Warning and Shutdown (OTW/OTSD)
    • Fault condition indication pin (nFAULT)
    • Optional fault diagnostics over SPI

Applications

  • Brushless-DC (BLDC) motor modules
  • HVAC motors
  • Office automation machines
  • Factory automation and robotics
  • Wireless antenna motor
  • Drones

Functional Block Diagrams

Schematic Diagram

Schematic - Texas Instruments DRV8376-Q1 3-Phase Integrated FET Motor Drivers
Published: 2025-07-03 | Updated: 2025-07-28