The TI LM4041/LM4041xQ References feature low dynamic impedance, low noise, and a low-temperature coefficient to support a stable output voltage across a wide range of operating currents and temperatures. The LM4041 utilizes fuse and Zener-zap reverse breakdown voltage trim during wafer sort to deliver four output voltage tolerances, ranging from 0.1% (maximum) for the A grade to 1% (maximum) for the D grade. Therefore, a great deal of flexibility is presented to developers in choosing the best cost-to-performance ratio for applications. The LM4041 is supplied in a fixed (1.225V nominal) or an adjustable version (which requires an external resistor divider to set the output to a value between 1.225V and 10V).
The LM4041 is also created for portable applications, packaged in space-saving SC-70 and SOT-23-3 and requiring a minimum current of 45μA (typical). The TO-92 package is also available for through-hole packaging requirements. The LM4041xI is characterized for operation over an ambient temperature range of -40°C to +85°C, and the LM4041xQ is characterized for operation over an ambient temperature range of -40°C to +125°C.
Features
- 1.225V Fixed and adjustable outputs (1.225V to 10V)
- Tight output tolerances and low-temperature coefficient
- Maximum 0.1%, 100ppm/°C – A grade
- Maximum 0.2%, 100ppm/°C – B grade
- Maximum 0.5%, 100ppm/°C – C grade
- Maximum 1.0%, 150ppm/°C – D grade
- Low output noise of 20μVRMS (typical)
- Wide operating current range of 45μA (typical) to 12mA
- Stable with all capacitive loads; no output capacitor required
- Available in
- Industrial temperature of -40°C to +85°C
- Extended temperature of -40°C to +125°C
Applications
- Data-Acquisition Systems
- Power supplies and power-supply monitors
- Instrumentation and test equipment
- Process control
- Precision audio
- Automotive electronics
- Energy management/metering
- Battery-powered equipment
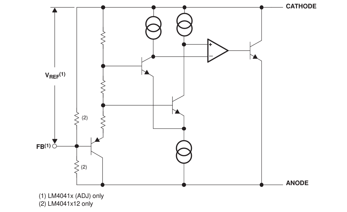
Functional Block Diagram
Pin Configurations

