Texas Instruments LM66100/LM66100-Q1 ±6V Low IQ Ideal Diodes

Texas Instruments LM66100/LM66100-Q1 ±6V Low IQ Ideal Diodes offer integrated Single-Input, Single-Output (SISO) and are well suited for various applications. The LM66100/LM66100-Q1 incorporates a P-channel MOSFET that can operate over an input voltage range of 1.5V to 5.5V and support a maximum continuous current of 1.5A.

Two LM66100/LM66100-Q1 Low IQ Ideal Diodes can be used in an ORing configuration similar to a dual diode ORing implementation. This configuration allows the LM66100/LM66100-Q1 to pass the highest input voltage to the output while blocking reverse current flow into the input supplies. The LM66100/LM66100-Q1 Ideal Diodes can compare input and output voltages to ensure that reverse current is blocked through an internal voltage comparator.

The Texas Instruments LM66100/LM66100-Q1 operates over a junction temperature range of –40°C to 125°C and is available in a standard SC-70 package.

Features

  • AEC-Q100 qualified for automotive applications (LM66100-Q1)
    • Device temperature grade 1 (–40°C to 125°C ambient operating temperature range)
  • 1.5V – 5.5V wide operating voltage range
  • –6V absolute maximum reverse voltage standoff on VIN
  • 1.5A Maximum continuous current (IMAX)
  • On-Resistance (RON)
    • 5V VIN = 79mΩ (typical)
    • 3.6V VIN = 91mΩ (typical)
    • 1.8V VIN = 141mΩ (typical)
  • Comparator chip enable (CE)
  • Channel status indication (ST)
  • Low current consumption
    • 3.6V VIN Shutdown current (ISD,VIN): 120nA (typical)
    • 3.6V VIN Quiescent current (IQ, VIN): 150nA (typical)

Applications

  • Smart meters
  • Building automation
  • GPS and tracking
  • Primary and backup batteries

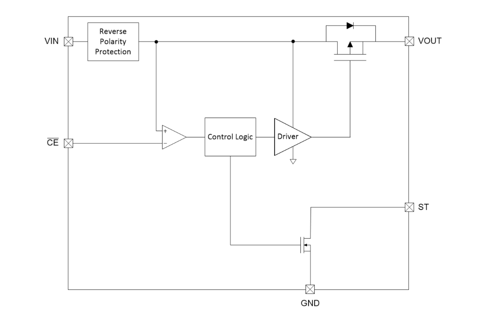
Functional Diagram

Block Diagram - Texas Instruments LM66100/LM66100-Q1 ±6V Low IQ Ideal Diodes
Published: 2019-07-24 | Updated: 2023-10-09