Texas Instruments SN65HVD7x 3.3V-Supply RS-485 Interface ICs

Texas Instruments SN65HVD7x 3.3V-Supply RS-485 Interface ICs with IEC ESD Protection have robust 3.3V drivers and receivers in a small package for demanding industrial applications. The bus pins of these TI devices are robust to ESD events with high levels of protection to Human-Body Model and IEC Contact Discharge specifications. TI SN65HVD78, SN65HVD75, and SN65HVD72 each combine a differential driver and a differential receiver that operate from a single 3.3V power supply. The driver differential outputs and the receiver differential inputs are connected internally to form a bus port suitable for half-duplex (two-wire bus) communication. These TI interface ICs feature a wide common-mode voltage range, making the devices suitable for multi-point applications over long cable runs. SN65HVD7x devices are characterized from -40°C to +125°C.

Features

  • Bus I/O Protection
    • > ±15kV HBM protection
    • > ±12kV IEC61000-4-2 contact discharge
    • > ±12kV IEC61000-4-2 air-gap discharge
  • -40°C to +125°C industrial temperature range
  • Large receiver hysteresis (80mV) for noise rejection
  • Low unit-loading allows over 200 connected nodes
  • Low Power Consumption
    • Low standby supply current: < 2µA
    • ICC < 1mA quiescent during operation
  • 5V tolerant logic inputs compatible with 3.3V or 5V controllers
  • Signaling rate options optimized for: 250kbps, 20Mbps, 50Mbps
  • Glitch free power-up and power-down bus inputs and outputs

Applications

  • Factory automation
  • Telecom infrastructure
  • Motion control

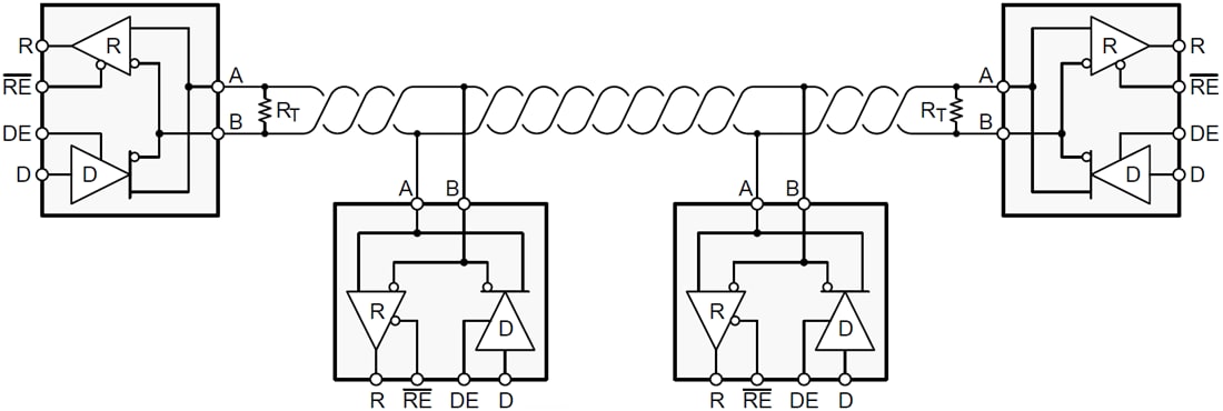
Typical Application Diagram

Application Circuit Diagram - Texas Instruments SN65HVD7x 3.3V-Supply RS-485 Interface ICs
Published: 2012-06-11 | Updated: 2022-03-11