Texas Instruments SN74HCS596/SN74HCS596-Q1 8-Bit Shift Register

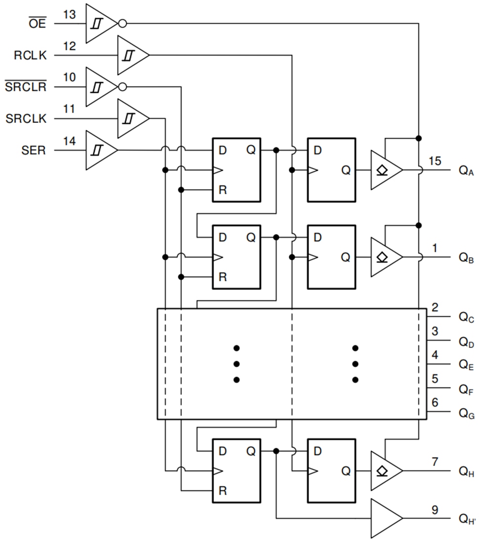
Texas Instruments SN74HCS596/SN74HCS596-Q1 8-Bit Serial-In/Parallel-Out Shift Register contains an 8-bit, serial-in, parallel-out shift register that feeds an 8-bit D-type storage register. All inputs include Schmitt triggers, which eliminate any erroneous data outputs due to slow-edged or noisy input signals. The storage register has parallel open-drain outputs. Separate clocks are provided for both the shift and the storage register. The shift register has a direct overriding clear (SRCLR) input, serial (SER) input, and serial output (QH’) for cascading. When the output-enable (OE) input is high, the outputs are in a high-impedance state. The internal register data on the Texas Instruments SN74HCS596/SN74HCS596-Q1 is not impacted by the operation of the OE input. The SN74HCS596-Q1 devices are AEC-Q100 qualified for automotive applications.

Features

  • 2V to 6V wide operating voltage range
  • Schmitt-trigger inputs allow for slow or noisy input signals
  • ±7.8mA output drive at 6V
  • Low power consumption
    • Typical ICC of 100nA
    • Typical input leakage current of ±100nA

Applications

  • Output expansion
  • LED matrix control
  • 7-segment display control
  • 8-bit data storage

Functional Block Diagram

Block Diagram - Texas Instruments SN74HCS596/SN74HCS596-Q1 8-Bit Shift Register
Published: 2020-07-14 | Updated: 2024-07-02