Texas Instruments SN74LV273A/SN74LV273A-Q1 Octal D-Type Flip-Flop

Texas Instruments SN74LV273A/SN74LV273A-Q1 Octal D-Type Flip-Flop is designed for 2V to 5.5V VCC operation. This device supports mixed-mode voltage operation on all ports and has a latch-up performance exceeding 250mA per JESD 17. Typical applications for the Texas Instruments SN74LV273A include power sub-station controls, I/O modules in analog PLC/DCS inputs, human-machine interfaces (HMI), flow meters, patient monitoring, and test and measurement solutions. The Texas Instruments SN74LV273A-Q1 devices are AEC-Q100 qualified for automotive applications.

Features

  • 2V to 5.5V VCC operation
  • Maximum tpd of 10.5ns at 5V
  • Typical VOLP (output ground bounce) < 0.8V at VCC = 3.3V, TA = 25°C
  • Typical VOHV (output VOH undershoot) > 2.3V at VCC = 3.3V, TA = 25°C
  • Ioff supports partial-power-down mode operation
  • Supports mixed-mode voltage operation on all ports
  • Latch-up performance exceeds 250mA per JESD 17
  • ESD protection exceeds JESD 22
    • 3000V human-body model
    • 2000V charged-device model

Applications

  • Power sub-station controls
  • I/O modules; analog PLC/DCS inputs
  • Human-machine interfaces (HMI)
  • Flow meters
  • Patient monitoring
  • Test and measurement solutions

Videos

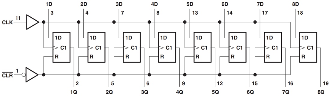
Functional Block Diagram

Block Diagram - Texas Instruments SN74LV273A/SN74LV273A-Q1 Octal D-Type Flip-Flop
Published: 2023-01-18 | Updated: 2025-07-03