Texas Instruments TL07xx Low-Noise FET-Input Operational Amplifiers

Texas Instruments TL07xx Low-Noise FET-Input Operational Amplifiers provide outstanding value for cost-sensitive applications. They are available in single (TL071x), dual (TL072x), or quad (TL074x) versions. Each device comes with features that include low offset (1mV, typical), high slew rate (20V/μs), and common-mode input to the positive supply. High ESD (1.5kV, HBM), integrated EMI and RF filters, and operation across the full –40°C to 125°C enable the Texas Instruments TL07xH devices to be used in the most rugged and demanding applications. The C-suffix devices are characterized for operation from 0°C to 70°C. The I-suffix devices are characterized for operation from −40°C to +85°C. The M-suffix devices are characterized for operation over the full military temperature range of −55°C to +125°C.

Features

  • 20V/μs (TL07xH, typ) high slew rate
  • 1mV (TL07xH, typ) low offset voltage
  • 2μV/°C low offset voltage drift
  • 940μA/ch (TL07xH, typ) low power consumption
  • Wide common-mode and differential voltage ranges
    • Common-mode input voltage range includes VCC+
  • Low input bias and offset currents
  • Low noise
    • Vn = 18nV/√Hz (typ) at f = 1kHz
  • Output short-circuit protection
  • 0.003% (typ) low total harmonic distortion
  • Wide supply voltage
    • ±2.25V to ±20V, 4.5V to 40V

Applications

  • Solar energy (string and central inverter)
  • Motor drives (AC and servo drive control and power stage modules)
  • Single-phase online UPS
  • Three-phase UPS
  • Pro audio mixers
  • Battery test equipment

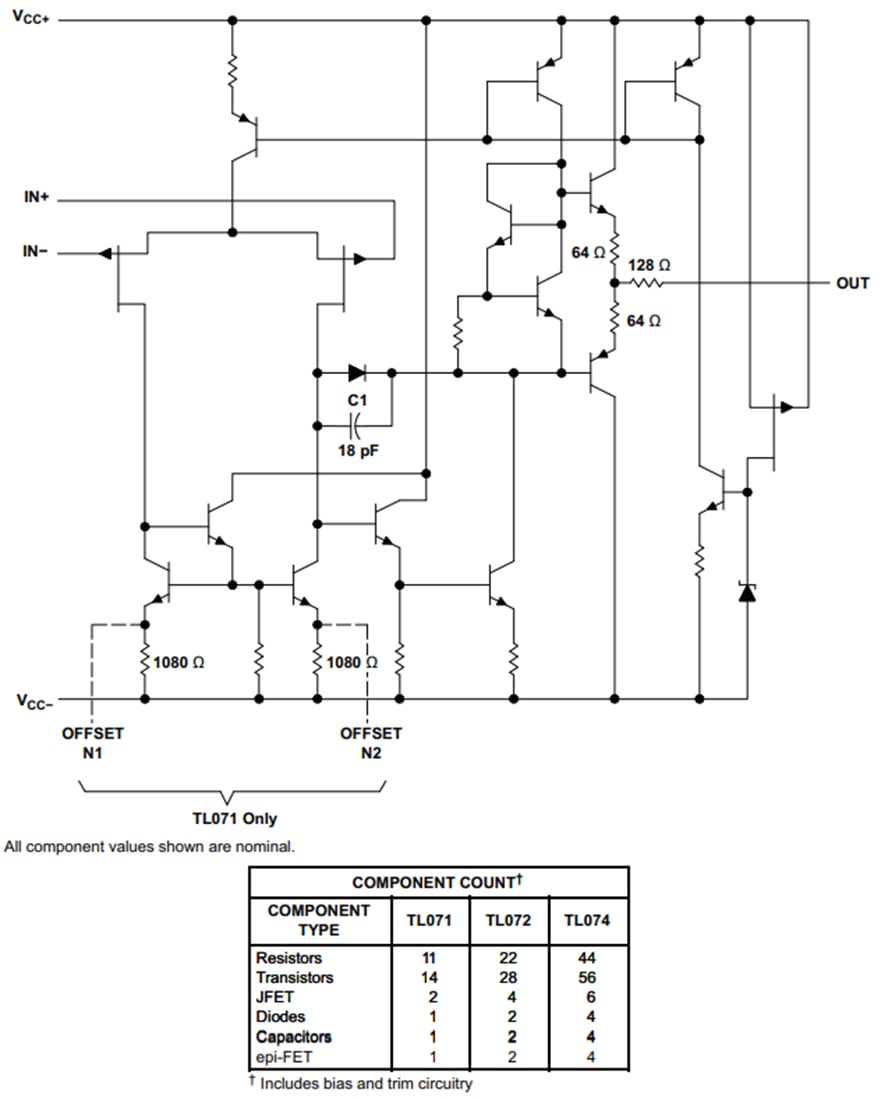
Functional Block Diagram

Block Diagram - Texas Instruments TL07xx Low-Noise FET-Input Operational Amplifiers
Published: 2021-01-06 | Updated: 2025-04-28