Texas Instruments TRF3705 300MHz to 4GHz Quadrature Modulator

Texas Instruments TRF3705 300MHz to 4GHz Low-Noise Direct Quadrature Modulator is capable of converting complex modulated signals from baseband or IF directly up to RF. TRF3705 is a high-performance, superior-linearity device that is ideal to up-convert to RF frequencies of 300MHz. The modulator is implemented as a double-balanced mixer. The RF output block consists of a differential-to-single-ended converter that is capable of driving a single-ended 50Ω load. The TRF3705 requires a 0.25V common-mode voltage for optimum linearity performance. Texas instruments TRF3705 Quadrature Modulator also provides a fast power-down pin that can be used to reduce power dissipation in TDD applications.

Features

  • High Linearity:
    • 30dBm at 1850MHz output IP3 
  • -160dBm/Hz Low Output Noise Floor 
  • 78dBc Single-Carrier WCDMA ACPR at -10dBm Channel Power
  • -40dBm Unadjusted Carrier Suppression
  • -45dBc Unadjusted Sideband Suppression
  • 3.3V Single Supply Operation 
  • 1-bit Gain Step Control
  • Fast Power-Up/Power-Down

Applications

  • Cellular Base Station Transmitter
  • CDMA (IS95, UMTS, CDMA2000, TD-SCDMA)
  • LTE (Long Term Evolution)
  • TDMA (GSM, EDGE/UWC-136)
  • Multicarrier GSM (MC-GSM)
  • Wireless MAN Wideband Transceivers

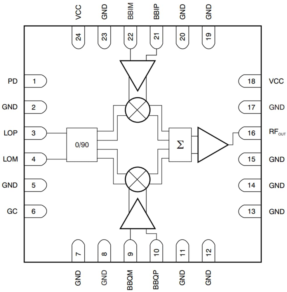
Functional Block Diagram

Block Diagram - Texas Instruments TRF3705 300MHz to 4GHz Quadrature Modulator
Published: 2012-03-09 | Updated: 2024-01-15