Texas Instruments TXB0304 4-Bit Voltage-Level Translator

Texas Instruments TXB0304 4-bit Bidirectional Voltage-Level Translator with Automatic Direction Sensing uses two separate configurable power-supply rails. This TI device features fully symmetric supply voltages of 0.9V to 3.6V on A Port and B Port. The TI TXB0304 Voltage-Level Translator also has a VCC isolation feature tht places all outputs in the high-impedance state if either VCC input is at GND. The Texas Instruments TXB0304 provides low power consumption of 5µA Max (ICCA or ICCB). The IOFF circuitry supports partial-power-down mode operation.

Features

  • Fully Symmetric Supply Voltages. 0.9V to 3.6V on A Port and 0.9V to 3.6V on B Port
  • VCC Isolation Feature - If Either VCC Input Is at GND, All Outputs Are in the High-Impedance State
  • OE Input Circuit Referenced to VCCA
  • Low Power Consumption, 5µA Max (ICCA or ICCB)
  • IOFF Supports Partial-Power-Down Mode Operation
  • Latch-Up Performance Exceeds 100mA Per JESD 78, Class II
  • ESD Protection Exceeds JESD 22
    • 8000-V Human-Body Model (A114-B)
    • 1000-V Charged-Device Model (C101)

Applications

  • Personal Electronics
  • Industrial
  • Enterprise
  • Telecom

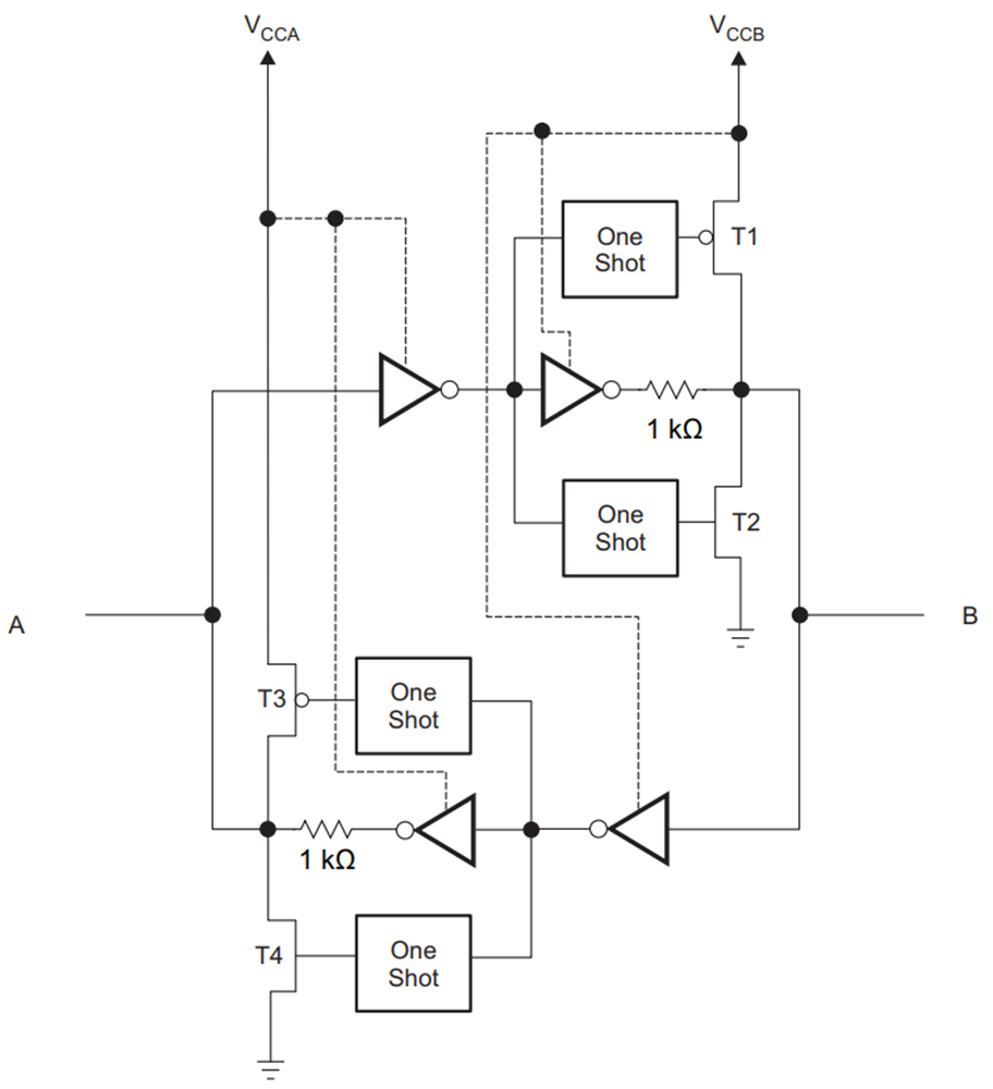
Functional Block Diagram

Block Diagram - Texas Instruments TXB0304 4-Bit Voltage-Level Translator
Published: 2012-03-01 | Updated: 2022-03-11